在設計高效、低功耗且可靠的12V電源時,工程師們常常面臨諸多挑戰,如效率優化、電磁干擾(EMI)控制、待機功耗降低等。芯茂微推出的LP8773S,作為一款第二代準諧振PWM控制器,以其創新的技術和強大的功能,為12V電源設計提供了一種全新的解決方案。

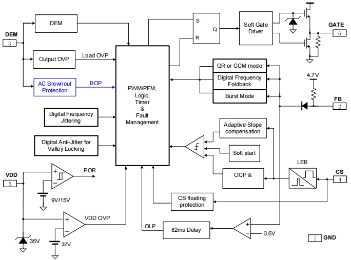
LP8773S采用SOT23-6封裝,集成了多種先進的控制技術和保護功能。其內部框架設計精巧,主要包括以下幾個關鍵部分:
數字抗抖動技術:通過“數字抗抖動”功能,LP8773S能夠在不同負載條件下自動選擇并鎖定最佳谷底,有效避免音頻噪聲,同時優化EMI性能。
多模式控制:根據輸入電壓和負載情況,LP8773S可在連續導通模式(CCM)和準諧振(QR)模式之間智能切換。在輕載或空載時,進入“數字頻率監控”模式,進一步降低待機功耗。
全面的保護功能:包括欠壓保護、過壓保護、逐周期電流限制、過載保護等,確保電源系統在各種異常情況下都能安全運行。
數字抖頻技術:通過在所有工作模式下引入4%的抖頻范圍,LP8773S能夠有效改善系統的EMI性能,降低電磁干擾。
低工作電流:僅1.8mA的工作電流,不僅提升了整體效率,還減少了VDD供電電容的尺寸和成本。
軟啟動功能:內置4ms的軟啟動時間,逐周期增大CS電流限閾值,有效降低了變壓器磁飽和的風險,同時減少了次級二極管在啟動時所受的應力。

LP8773S特別適用于12V輸出的隔離AC/DC反激變換器,例如:
消費電子:智能手機適配器、平板電腦充電器、路由器電源等。
小家電:電吹風、電動牙刷、智能臺燈等。
工業設備:小型傳感器電源、物聯網設備電源等。
啟動電路設計:LP8773S的啟動電流為5μA,通過外部啟動電阻給VDD電容充電。當VDD電壓達到15V時,芯片開始正常工作。根據功耗和啟動時間的要求,合理選擇啟動電阻和電容的參數。
退磁檢測與過壓保護:通過DEM腳實時采樣輔助繞組的電壓,檢測變壓器的退磁狀態。同時,LP8773S能夠檢測輔助繞組反激的平臺電壓,實現精準的過壓保護。
突發模式控制:在輕載或空載條件下,LP8773S進入突發模式,通過交替控制開關的出現和消失,有效降低開關損耗,實現小于100mW的待機功耗。
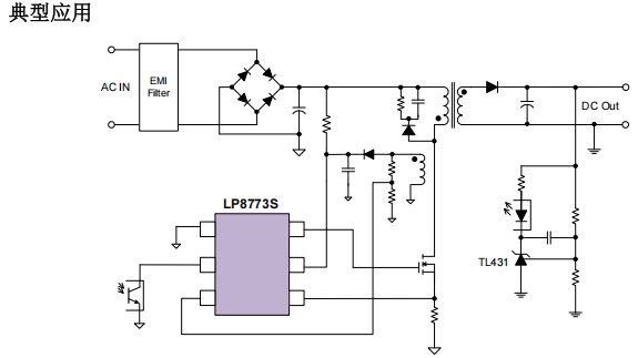
典型應用圖如下所示~

以12V/2A(24W)的適配器為例,測試結果顯示:
滿載效率:在230VAC輸入下,滿載效率可達89.7%,遠高于傳統PWM控制器。
待機功耗:在空載條件下,輸入功耗僅為68mW,滿足CoC V5 Tier 2的能效標準。
動態響應:從0.2A突變到2A時,輸出電壓變化小于250mV,恢復時間僅需800μs,表現出色的動態性能。
高效率:通過多模式控制和數字抖頻技術,LP8773S在不同負載條件下均能保持高效率運行。
低待機功耗:獨特的突發模式設計,使得待機功耗低于100mW,滿足嚴格的能效標準。
優化的EMI性能:數字抖頻技術有效降低了電磁干擾,簡化了EMI濾波器設計。
全面的保護功能:多種保護機制確保電源系統在各種異常情況下都能安全運行,提高了系統的可靠性和穩定性。
LP8773S作為一款第二代準諧振PWM控制器,憑借其創新的技術和強大的功能,為12V電源設計提供了一種高效、低功耗且可靠的解決方案。無論是消費電子、小家電還是工業設備,LP8773S都能滿足其對電源性能的嚴格要求。對于追求高效、低功耗和高可靠性的電源設計工程師來說,LP8773S無疑是一個值得信賴的選擇。