在現代電子設計領域,選擇一個合適的微控制器對于整個項目的成功至關重要。FT32F103系列單片機以其高性能、多功能外設和優秀的功耗管理,成為眾多應用場景中的熱門選擇。本文將詳細解析FT32F103系列中的兩個型號:FT32F103RDAT7和FT32F103VDAT7,包括它們的器件信息、結構框圖、引腳定義、規格說明、存儲器映射和電氣特性等。
FT32F103系列基于ARM Cortex-M3內核,工作頻率高達72MHz,支持1.8V至5.0V的工作電壓,并能在-40至105°C的溫度范圍內穩定工作。該系列提供多種存儲容量和外設配置,以適應不同的應用需求。

內核:32位ARM Cortex-M3,最高72MHz的工作頻率。
存儲:閃存高達128KB,SRAM高達20KB。
I/O:多達51個快速I/O端口。
低功耗模式:睡眠、停止、待機模式。
ADC:兩個12位ADC,最多16個通道。
DMA:7通道DMA控制器。
定時器:多達7個定時器。
通信接口:兩個I2C,三個USART,兩個SPI,CAN接口,USB 2.0全速接口。
CRC計算單元:96位芯片唯一ID。

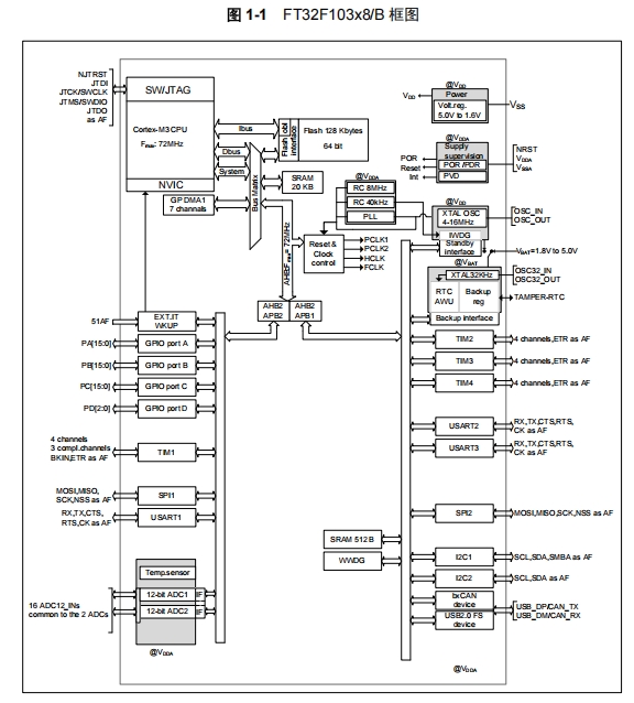
FT32F103系列的結構框圖如上圖所示,展示了內部主要模塊及其連接方式。引腳定義詳細列出了每個引腳的功能,包括電源引腳、I/O引腳、復位引腳等。
引腳定義表列出了FT32F103x8/B的引腳定義,包括引腳編號、可選的復用功能、主功能、管腳名稱、默認復用功能、重定義功能、類型和I/O電平。

FT32F103x8/B 微控制器集成了高性能的 Arm? Cortex?-M3 32 位 RISC 內核,工作頻率為 72 MHz,內嵌高速存儲器 (高達 128 KB 的閃存和 20 KB 的 SRAM),以及大量的增強型 I/O 和連接到兩條 APB總線的外設。所有器件都提供兩個 12 位 ADC、三個通用 16 位定時器和一個 PWM 定時器,以及標準和先進的通信接口:多達兩個 I2C、兩個 SPI、 三個 USART、一個 USB 和一個 CAN。
FT32F103x8/B 微控制器工作在-40~+105 °C 的溫度范圍,工作電壓為 1.8~5.0 V,一系列的省電模式保證低功耗應用的要求。
所有電壓都以?SS為基準,除非特別說明。所有最小值和最大值將在最壞的環境溫度、供電電壓和時鐘頻率條件下得到保證。
供電方案圖展示了電源引腳的連接方式,包括VDD、VSS、VDDA等,以及它們的電壓范圍和電流消耗。

存儲器映射如圖所示,詳細列出了各個存儲器區域的地址范圍,包括Flash、SRAM、外設等。

電氣特性部分詳細描述了FT32F103x8/B微控制器的電氣性能,包括絕對最大額定值、操作條件、通用工作條件、上電/掉電時的工作條件、嵌入的復位和電源控制模塊特性等。
表4-1列出了電壓特性,表4-2列出了電流特性,表4-3列出了溫度特性。這些數據對于確保器件在安全范圍內工作至關重要。

FT32F103RDAT7和FT32F103VDAT7型號的主要區別在于封裝類型和可用的外設數量。兩者都具備384KB的Flash存儲和64KB的RAM,但在外設配置上有所不同。它們的核心性能和功能是相似的,這使得它們能夠適用于多種不同的應用場景。以下是這兩個型號詳細特點及應用~
封裝:LQFP64
定時器:16位定時器8個
12位ADC:16通道
DAC:12位2通道
通信接口:USB 2.0,CAN,5個USART,3個SPI
工業自動化:由于其豐富的定時器和通信接口,FT32F103RDAT7非常適合用于工業自動化控制系統,如PLC(可編程邏輯控制器)和傳感器數據采集系統。
消費電子:在消費電子產品中,如智能家居設備和便攜式醫療設備,FT32F103RDAT7可以提供必要的處理能力和外設支持,以實現復雜的用戶交互和數據處理。
汽車電子:在汽車電子領域,如車載信息娛樂系統和安全系統,FT32F103RDAT7的高性能和可靠性使其成為一個理想的選擇。
封裝:LQFP100
定時器:16位定時器8個
12位ADC:16通道
DAC:12位2通道
通信接口:USB 2.0,CAN,5個USART,3個SPI
高端消費電子:由于其更大的封裝和更多的外設,FT32F103VDAT7更適合用于高端消費電子產品,如高級音頻設備和高端家用電器,這些產品通常需要更多的外設和更復雜的用戶界面。
專業醫療設備:在醫療設備領域,尤其是那些需要精確控制和多種傳感器接口的設備,FT32F103VDAT7的高性能和豐富的外設使其成為一個理想的選擇。
通信設備:在通信設備中,如路由器和調制解調器,FT32F103VDAT7的高速處理能力和多種通信接口使其能夠處理大量的數據傳輸和網絡協議。
FT32F103RDAT7和FT32F103VDAT7型號的FT32F103系列單片機,以其高性能、多功能外設和優秀的功耗管理,為工業自動化、消費電子、汽車電子、高端消費電子、專業醫療設備和通信設備等多種應用場景提供了強大的支持。根據具體的應用需求和設計考慮,開發者可以選擇最合適的型號來實現他們的項目目標。無論是對處理能力、外設數量還是封裝尺寸有特定要求的應用,FT32F103系列都能提供靈活而強大的解決方案。