在當今的嵌入式系統設計中,8位微控制器因其成本效益高、性能穩定而被廣泛應用。FT62FC6X系列作為一款高性能的8位微控制器,憑借其豐富的功能和靈活的配置,成為了眾多工程師的首選。本文將深入探討FT62FC6X系列的型號命名規則、引腳介紹以及PORT端口結構框圖,幫助讀者更好地理解和應用這一系列微控制器。

FT62FC6X系列微控制器的型號命名遵循了一套嚴格的規則,這些規則不僅反映了芯片的基本特性,還提供了關于其功能和性能的重要信息。型號命名規則如下:
FT62FC6X系列的基礎型號為“FT62FC”,其中:
“FT”代表Fremont Micro Devices公司。
“62”表示該系列微控制器屬于62系列,具有特定的內核架構和指令集。
“FC”表示該系列微控制器具有EEPROM存儲功能,支持程序和數據的非易失性存儲。

在基礎型號之后,通過添加特定的后綴來表示不同的功能擴展和特性。例如:
“3”表示該型號具有3k x 14位的程序存儲空間。
“1”、“2”、“3”、“4”、“5”等數字表示不同的引腳數量,如“3”表示8引腳,“4”表示10引腳等。
“A”、“B”、“C”等字母表示不同的封裝類型,如“SOP8”表示8引腳小外形封裝,“MSOP10”表示10引腳迷你小外形封裝等。
型號的最后部分通常包含版本信息,如“Rev1.00”,表示該型號的版本號為1.00。版本號的更新通常意味著芯片在功能、性能或兼容性方面的改進。

FT62FC6X系列微控制器根據不同的封裝類型和功能需求,提供了多種引腳配置。以下是結構框圖及一些常見的引腳及其功能介紹:
VDD:電源正極,為芯片提供工作電壓。
GND:電源地,提供參考電平。
FT62FC6X系列微控制器提供了多個I/O端口,每個端口具有多種功能,包括數字輸入、數字輸出、模擬輸入等。常見的I/O端口引腳包括:
PA0 - PA7:PORTA端口,具有數字輸入、數字輸出和模擬輸入功能。
PB0 - PB7:PORTB端口,具有數字輸入、數字輸出和模擬輸入功能。
PC0 - PC1:PORTC端口,具有數字輸入和數字輸出功能。
OSC1/OSC2:振蕩器輸入/輸出引腳,用于連接外部晶振或時鐘源。
MCLR:外部復位引腳,用于系統復位。
T0CKI:Timer0時鐘輸入引腳,用于外部時鐘輸入。
INT:外部中斷引腳,用于接收外部中斷信號。
VREFP/VREFN:模擬參考電壓正/負引腳,用于ADC模塊的參考電壓輸入。



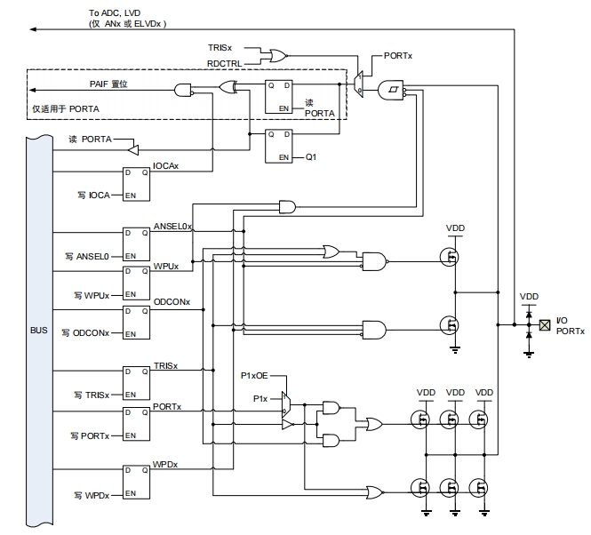
PORT端口是FT62FC6X系列微控制器的核心組成部分,提供了豐富的輸入輸出功能。以下是一個典型的PORT端口結構框圖,展示了PORTA端口的內部結構:

● 4 路周期相同 (由 Timer2 控制),且獨立占空比的 PWM 通道:P1A, P1B, P1C, P1D
● 通道 1 帶有互補輸出:/P1A
● 1 路帶死區控制的 PWM 通道:P1A, /P1A
● 16-bit 的分辨率
● 每路 PWM 輸出極性可獨立控制
● 帶可選自動重啟功能的多種故障剎車事件
● PWM1 和 PWM4 可映射到 3 個 I/O, PWM2 和 PWM3 可映射到 2 個 I/O
● XOR/XNOR 第 2 功能輸出
● 蜂鳴器模式
● 單脈沖輸出模式
● 周期和占空比寄存器雙緩沖讀寫設計
SLEEP 模式下的 PWM 操作 - 不管是否處于 SLEEP 狀態, 只要 Timer2 保持運行,且 PWM 使能,那么 PWM 將一直保持運行。而 Timer2 如需在 SLEEP 下運行,其時鐘源不可選擇指令時鐘。如果 SLEEP 模式下 Timer2 自動關閉,那么 PWM 的輸出將保持其進入 SLEEP 前的狀態。
FT62FC6X系列8位微控制器以其高性能、低功耗、豐富的功能和靈活的配置,成為了嵌入式系統設計中的理想選擇。通過深入理解其型號命名規則、引腳功能以及PORT端口結構,工程師可以更好地選擇和應用這一系列微控制器,滿足不同應用場景的需求。無論是簡單的傳感器接口設計,還是復雜的多任務處理系統,FT62FC6X系列都能提供可靠的解決方案,助力工程師實現高效、穩定的嵌入式系統設計。