在當今電子設備日益普及的背景下,小家電等設備對輔助電源的需求持續增長。而一款性能卓越、成本可控的電源芯片,無疑是滿足這一需求的關鍵。FT8451B,作為一款專為小家電輔助電源設計的高精度、低成本5V400mA恒壓開關電源芯片,憑借其諸多優勢,正逐漸成為市場的熱門選擇。
FT8451B是由輝芒微推出的一款高性能、高精度、低成本的非隔離PWM功率開關。該芯片集成了一個專門的電流模PWM控制器和一個高壓功率開關管,其內部的誤差放大器經過優化,能夠保證優越的動態響應,從而確保在全電壓輸入范圍內都能獲得穩定的高精度輸出電壓。這種設計不僅提高了電源的穩定性和可靠性,同時也為小家電等設備提供了穩定的電力支持,確保設備能夠在各種工作條件下正常運行。

FT8451B的電源規格設計充分考慮了小家電輔助電源的實際需求。其輸入電壓范圍為90~264Vac,能夠適應不同國家和地區的電網電壓,具有很強的通用性。頻率范圍為47~64Hz,覆蓋了常見的電網頻率,進一步增強了其適用性。在輸出方面,FT8451B能夠提供穩定的5V電壓和0.4A的輸出電流,連續輸出功率可達2.0W,完全能夠滿足小家電輔助電源的功率需求。

在效率方面,FT8451B表現出色。在115Vac和230Vac的滿載條件下,其效率分別可達62%和60%,這一效率水平在同類產品中處于領先地位。高效率不僅意味著能源的充分利用,還能有效降低能源損耗,符合現代節能理念。此外,FT8451B的EMI(電磁干擾)性能也得到了充分考慮,其傳導和輻射EMI均能達到相關標準,如EN55022B和EN55013,確保電源在運行過程中不會對周邊設備產生電磁干擾,也不會受到外界電磁干擾的影響,保障了整個系統的穩定運行。
FT8451B采用BUCK-Boost結構,這種結構具有諸多優勢。首先,它能夠有效減少外圍元件的數量,從而降低整體成本。在電路設計中,外圍元件的減少不僅簡化了電路布局,還降低了因元件故障而導致的可靠性問題。其次,BUCK-Boost結構能夠實現寬輸入電壓范圍的穩定輸出,這對于需要適應不同電網電壓的小家電輔助電源來說至關重要。

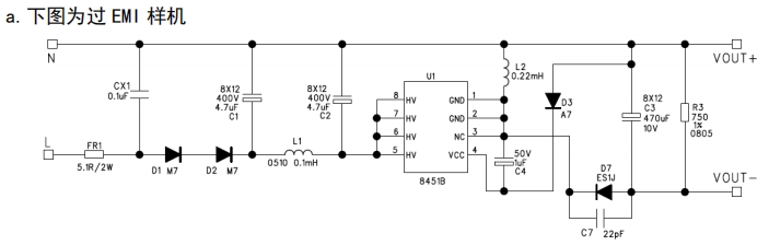
在電路原理圖中,可以看到FT8451B的輸入端通過一個電感L1與高壓輸入相連,電感L1的作用是儲能和濾波,能夠有效平滑輸入電流,減少電流的波動。同時,一個色環電阻FR1與電感L1串聯,起到限流和保護的作用,防止輸入電流過大對芯片和電路造成損壞。在輸出端,一個工字型電感L2與芯片相連,其感量為0.22mH,這個電感在電路中起到關鍵的儲能和電流調節作用,確保輸出電流的穩定。此外,多個電解電容和陶瓷電容分布在電路中,用于濾波和穩定電壓,進一步提高電源的輸出質量。
FT8451B內部集成了高壓啟動功能,起機時間短,典型值僅為50ms。這一特性使得電源能夠在短時間內迅速啟動并進入穩定工作狀態,大大提高了設備的響應速度和用戶體驗。同時,芯片還具備優越的動態響應能力,能夠快速適應負載的變化,確保輸出電壓的穩定。這對于一些需要快速響應負載變化的小家電設備來說,如電動牙刷、剃須刀等,能夠提供更加穩定的電力支持,延長設備的使用壽命。
FT8451B的PCB布局設計同樣精心考慮。采用單面板設計,元件分布合理,便于生產和維護。PCB厚度為1mm,尺寸為70mm×33.5mm,這種尺寸設計既保證了足夠的元件布局空間,又不會使PCB過大,影響設備的整體體積和便攜性。在元件分布上,PCB頂面主要為插件元件,底面則為貼片元件。這種分布方式充分利用了PCB的空間,提高了空間利用率,同時也便于元件的焊接和安裝。

在實際的PCB布局中,需要注意一些關鍵元件的布局和走線。例如,電感L1和L2應盡量靠近芯片,以減少線路阻抗和寄生電感的影響。同時,輸入端和輸出端的濾波電容應盡量靠近電感和芯片,以提高濾波效果。此外,電源的地線應盡量寬且短,以降低地線阻抗,減少地線上的電壓降。合理的PCB布局不僅能夠提高電源的性能,還能有效降低電磁干擾,提高整個系統的可靠性。
FT8451B的物料清單簡潔明了,主要包括以下幾個關鍵元件:

集成電路IC:FT8451B芯片本身,采用SOP8封裝,內置700V高壓功率開關管,可靠性高。
電感:包括一個1mH的色環電感L1和一個0.22mH的工字型電感L2。這兩個電感在電路中起到關鍵的儲能和電流調節作用,其性能直接影響電源的輸出質量和穩定性。
電容:多個電解電容和陶瓷電容,如4.7uF/400V的鋁電解電容C1和C2
,470uF/10V的鋁電解電容C3,以及22pF的貼片陶瓷電容C7。這些電容用于濾波和穩定電壓,確保電源輸出的純凈和穩定。
二極管:包括普通二極管和快速二極管,如M7型號的普通二極管D1和D2
,以及ES1J型號的快速二極管D7。這些二極管在電路中起到整流和續流的作用,確保電流的單向流動和電感的正常工作。
電阻:如5.1R/2W的色環電阻FR1和750R的貼片電阻R3。這些電阻在電路中起到限流、分壓和保護的作用。
其他元件:如X電容CX1,用于抑制電磁干擾;壓敏電阻MOV1,用于過電壓保護。
整個物料清單簡潔且成本可控,通過精心選擇和搭配這些元件,能夠實現高性能、高可靠性的電源設計。同時,簡潔的BOM也有利于生產過程中的物料采購和管理,提高生產效率,降低生產成本。
FT8451B作為一款高精度、低成本的5V400mA恒壓開關電源芯片,憑借其優越的性能和簡潔的設計,為小家電輔助電源提供了一個理想的解決方案。其BUCK-Boost結構、內部集成的高壓啟動功能以及優越的動態響應能力,確保了電源在各種工作條件下的穩定性和可靠性。精心設計的PCB布局和簡潔的物料清單,不僅提高了生產效率,還降低了生產成本。