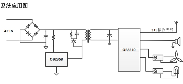
在現代家居生活中,衛浴吊頂和煙機作為廚房與衛生間的核心設備,其智能化控制水平直接影響著用戶的使用體驗與生活品質。昂寶 OB5510 系列芯片,憑借其卓越的性能與高度集成化的設計,為衛浴吊頂和煙機的智能控制提供了強大的“芯”動力,成為眾多家電制造商的首選方案。
OB5510 系列芯片包括 OB5510CGP(SOP16 封裝)和 OB5510CIP(SOP20 封裝),均由國內知名半導體企業昂寶電子精心打造。該系列芯片專為衛浴吊頂和煙機等家電應用量身定制,具備強大的功能與出色的性能表現,能夠滿足不同場景下的多樣化控制需求。

OB5510 系列芯片采用快速的單周期 8051 內核,擁有 8KB 閃存和 512B SRAM,能夠執行所有 ASM51 兼容指令,與 MCS-51 指令集完全兼容。這意味著芯片在處理復雜的控制邏輯和算法時,能夠快速響應并高效執行,確保設備運行流暢。例如,在煙機的智能調速控制中,OB5510 能夠根據煙霧濃度傳感器的實時數據,迅速調整電機轉速,實現精準的排煙效果,同時保證系統的穩定運行。
該系列芯片集成了多種外設接口和功能模塊,為家電設備的智能化提供了全面支持。它具備雙 16-bit 數據指針、3 個 16-bit 定時器 / 計數器、最多 11 個 GPIO、外部中斷源、I2C、UART 等接口,以及可編程的看門狗定時器、3 路 12 位模擬數字轉換(ADC)等功能。這些豐富的接口和模塊使得 OB5510 能夠輕松連接各種傳感器、驅動器和通信設備,構建復雜的智能控制系統。
以衛浴吊頂為例,OB5510 可以通過 GPIO 接口連接溫濕度傳感器、人體紅外傳感器等,實時監測衛浴空間的環境參數和使用狀態。當檢測到有人進入時,自動開啟照明和換氣功能;根據溫濕度數據自動調節吊頂內的加熱或制冷設備,為用戶提供舒適的洗浴環境。同時,利用 I2C 和 UART 接口,OB5510 還可以與顯示屏、無線通信模塊等進行數據交互,實現遠程控制和狀態顯示等功能,提升用戶的使用便捷性。
OB5510 系列芯片的高壓模擬單元是其一大亮點,輸入電壓范圍為 7.5V~12V,集成 5VLDO,輸出電壓 5V ±2%@25°C,最大輸出電流可達 200mA。此外,芯片還集成了 5 個開漏端口,具有 80mA 灌電流能力,并內建續流二極管。這些特性使得 OB5510 能夠直接驅動繼電器或可控硅等高壓大電流器件,簡化了系統設計,降低了成本,同時提高了系統的可靠性和穩定性。
在電源管理方面,OB5510 提供了空閑及掉電模式,支持低電壓中斷(LVI)和低電壓復位(LVR)功能。這些電源管理模式和保護功能能夠有效降低功耗,延長設備的使用壽命,并確保在電壓異常情況下芯片和設備的安全運行。例如,在煙機的待機狀態下,OB5510 可以進入低功耗模式,僅消耗極少量的電能,同時保持對按鍵等喚醒信號的監測,一旦用戶按下啟動按鈕,芯片能夠迅速從低功耗模式喚醒并恢復工作,實現快速響應。

在衛浴吊頂系統中,OB5510 可以通過連接多種傳感器,實現對衛浴空間環境的全方位監測和智能控制。溫濕度傳感器可以實時測量衛浴內的溫度和濕度,OB5510 根據這些數據自動調節吊頂內的加熱或制冷設備,以及換氣扇的轉速,確保衛浴空間始終保持適宜的溫濕度條件,避免因潮濕導致的霉菌滋生和設備損壞。
人體紅外傳感器則用于檢測人體活動,當用戶進入衛浴空間時,OB5510 接收到信號后自動開啟照明和換氣功能,為用戶提供便捷的使用體驗。同時,通過設定不同的工作模式,如“洗漱模式”“沐浴模式”等,OB5510 可以根據用戶的使用場景自動調整各設備的運行狀態,實現個性化的智能控制。
OB5510 支持多種照明控制方式,能夠根據環境光線強度和用戶需求自動調節照明亮度。例如,通過連接光敏傳感器,OB5510 可以檢測衛浴內的光線強度,當光線較暗時自動提高照明亮度,確保用戶在使用過程中有足夠的光線。此外,利用 PWM(脈寬調制)功能,OB5510 還可以實現對 LED 燈光的調光控制,營造不同的氛圍效果,滿足用戶在不同場景下的需求,如溫馨的洗漱氛圍、舒適的沐浴氛圍等,提升衛浴空間的使用舒適度和美觀度。
在安全方面,OB5510 的低電壓中斷和復位功能能夠有效保護衛浴吊頂設備在電壓異常情況下免受損壞。當供電電壓低于設定閾值時,芯片會自動觸發低電壓中斷,切斷設備的電源,防止因電壓過低導致的設備故障或損壞。同時,OB5510 的電源管理單元支持空閑和掉電模式,在設備待機或不使用時能夠自動進入低功耗模式,降低能耗,實現節能效果。通過合理的電源管理和智能控制策略,OB5510 能夠在確保設備正常運行的前提下,最大程度地降低能耗,延長設備的使用壽命,符合現代家居對節能環保的要求。
煙機的核心功能是快速有效地排出廚房內的油煙,OB5510 能夠為煙機提供精準的智能排煙控制。通過連接煙霧濃度傳感器,OB5510 可以實時監測廚房內的油煙濃度,并根據濃度數據自動調整電機的轉速。在烹飪過程中,當油煙濃度較高時,芯片會控制電機高速運轉,加大排風量,迅速排出油煙;而在油煙濃度較低時,電機則自動降低轉速,減少能耗,同時避免過度排風導致的噪音過大。這種智能調速控制不僅提高了煙機的排煙效率,還能根據實際需求合理分配能源,實現節能降噪的效果。
現代煙機通常配備有照明燈和操作界面,OB5510 可以輕松實現對這些功能的控制。利用 GPIO 接口連接照明燈,芯片可以根據用戶的操作指令或環境光線強度自動控制照明燈的開關和亮度調節。同時,通過 UART 或 I2C 接口連接顯示屏和按鍵等操作界面組件,OB5510 能夠實現對煙機運行狀態的實時顯示和用戶操作指令的接收與處理。用戶可以通過操作界面方便地設置煙機的工作模式、風速、照明亮度等參數,OB5510 根據這些指令快速響應并調整設備的運行狀態,為用戶提供便捷的操作體驗。
在煙機的運行過程中,OB5510 還能夠進行故障檢測與保護。例如,通過監測電機的電流、電壓等參數,芯片可以判斷電機是否出現過載、堵轉等故障情況。一旦檢測到故障,OB5510 會立即觸發相應的保護措施,如切斷電機電源、發出故障報警信號等,防止故障進一步擴大,保護煙機設備的安全。同時,利用其豐富的中斷功能,OB5510 還可以實現對煙機其他關鍵部件的實時監測和故障檢測,確保煙機系統的穩定可靠運行。

OB5510 系列芯片將多種功能模塊集成于一身,包括高壓模擬單元、數字控制單元、存儲器、外設接口等,大大減少了外部元件的使用數量,降低了系統的復雜度和成本。與傳統的分立元件方案相比,OB5510 不僅提高了系統的可靠性,還減少了 PCB(印刷電路板)面積,使得家電設備的設計更加緊湊、輕薄,符合現代家居對產品外觀和空間占用的要求。這種高度集成化的設計為家電制造商帶來了顯著的成本優勢,有助于提高產品的市場競爭力。
OB5510 采用先進的高壓工藝和數模混合技術,具備高性能的單周期 8051 內核和豐富的外設接口,能夠滿足復雜家電控制系統的性能需求。同時,芯片經過嚴格的質量測試和可靠性驗證,能夠在各種惡劣的工作環境下穩定運行,如高溫、高濕度、電壓波動等。其高壓模擬單元和電源管理功能進一步增強了芯片的適應性和穩定性,確保家電設備在長期使用過程中始終保持良好的性能表現,減少了維修和更換的頻率,降低了用戶的使用成本。
昂寶電子為 OB5510 系列芯片提供了完善的開發工具和文檔支持,包括編程器、編譯器、調試工具、數據手冊等,方便開發人員進行硬件設計、軟件編程和系統調試。此外,OB5510 的指令集與 MCS-51 兼容,使得開發人員可以利用現有的 MCS-51 開發經驗和資源進行快速開發,大大縮短了產品的開發周期。同時,芯片的多種外設接口和功能模塊為產品的功能拓展提供了廣闊的空間,家電制造商可以根據市場需求和用戶反饋,靈活地添加或升級產品的功能,如智能語音控制、物聯網連接等,進一步提升產品的附加值和市場競爭力。
昂寶 OB5510 系列芯片憑借其高性能、高集成度、高可靠性和靈活的開發優勢,為衛浴吊頂和煙機等家電產品的智能化控制提供了理想的解決方案。在現代家居智能化發展的浪潮中,OB5510 正以其卓越的性能和出色的表現,助力家電制造商打造出更加智能、便捷、節能、安全的家居產品,滿足消費者對高品質生活的追求。隨著技術的不斷進步和市場需求的持續增長,OB5510 系列芯片必將在家電領域發揮更加重要的作用,成為推動家居智能化發展的重要力量。